• Page :
  • 1
  • 2
  • 3

SUJET :

Remise en route suzuki df140 21 Mai 2019 19:07 #646211

  • lexou
  • Portrait de lexou Auteur du sujet
  • Hors Ligne
  • Membre senior
  • Membre senior
  • Messages : 41
  • Remerciements reçus 3
Voila donc le but de repartir sur une vrai base saine

donc 2 suzuki df140 de 2005/06

270h compteur

pas vu l'eau depuis 2ans

je souhaiterai dans l'ordre vidange reservoir et filtres decanteur remplacement tuyau et poire en double

revision moteur huile bougies filtre essence filtre huile et calorstat anode moteur et embase

embase vidange turbine joints voir pourquoi pas joint spy de l'embase par securité

j'ai les joints sur le fut style silent bloc de legerement craqué j'envisage le changement aussi

la reprise du graissage entiere des moteurs

le trim vidange purge ?

des idées conseils ou autres ?

j'ai deja la doc du moteur ainsi qu'un pdf de quelqu'un qui a fait un tuto sur un 115 bloc identique


merci à vous

Connexion ou Créer un compte pour participer à la conversation.

Remise en route suzuki df140 21 Mai 2019 19:54 #646217

2 ans .... c’est pas non plus 20 ans .si entre 2005/2006 les entretiens on etaient fait comme il faut
Tes choix sont pas mal
Une bonne révision
un graissage de tout ce qui doit l’être
Vérification anodes ........et changer si besoin ....
Vérification des connections électriques
Batterie neuves peu être .

Connexion ou Créer un compte pour participer à la conversation.

Remise en route suzuki df140 21 Mai 2019 20:54 #646223

  • lexou
  • Portrait de lexou Auteur du sujet
  • Hors Ligne
  • Membre senior
  • Membre senior
  • Messages : 41
  • Remerciements reçus 3
anodes je le ferai pour le prix des anodes

batterie j'ai une 92A et 960amph je trouce ca enorme j'aimerai mettre 2 de 75a pour chaque moteur et la grosse pour le guindeau et servitude

je vais me pencher sur le cablage

Connexion ou Créer un compte pour participer à la conversation.

Remise en route suzuki df140 22 Mai 2019 08:43 #646230

Si les moteurs n'ont plus tourné depuis 2 ans je vérifierais tout de même les turbines pour être sûr qu'elle ne soient pas collées dans le corps de pompe.
Et puis pour les batteries de 96 ampères chacune ça me paraît tout à fait normal.
Par contre pour le trim je ne ferais rien du tout.
Samartom

Connexion ou Créer un compte pour participer à la conversation.

Remise en route suzuki df140 22 Mai 2019 09:06 #646234

Je mettrais 2 Optima c’est le top ....plus cher mais avec des frequences de décharge tellement plus importantes ....

Connexion ou Créer un compte pour participer à la conversation.

Remise en route suzuki df140 22 Mai 2019 16:06 #646246

  • lexou
  • Portrait de lexou Auteur du sujet
  • Hors Ligne
  • Membre senior
  • Membre senior
  • Messages : 41
  • Remerciements reçus 3
Salut à tous

en commande

kit complet turbine les joints une plaque
la complete pour le moteur je veux repartir de zero sur l'etat et l'entretien moteur

est ce judicieux de changer les joints cote helice ?

la direction hydraulique tourne par accoup au niveau du volant avec un bloup bloup certainement un manque de liquide vidange ou purge je pense

la batterie bosch 96A et 27kg ! pour un moteur me parait enorme sur une cylindree de 2l surtout que je veux en dédier une exclusivement à la servitude

Connexion ou Créer un compte pour participer à la conversation.

Remise en route suzuki df140 22 Mai 2019 19:07 #646252

Pour les puissance et capacité des batteries, regardes ce qu'indique le manuel du propriétaire, si tu l'as ou à défaut, demandes à un concessionnaire.

Connexion ou Créer un compte pour participer à la conversation.

Dernière édition: par pechevoile.

Remise en route suzuki df140 22 Mai 2019 19:22 #646253

Pour le démarrage moteur une 70/75 suffit largement
Pour la batterie de servitude ..cela dépend ce que tu vas mettre dessus
Par expérience avec un frigo et qqs bricoles dessus (chargeur téléphone Gps Vhf etc etc ..) j'étais sur du 140 ah et ma fois c'etait juste sur 24 heures sans faire tourner le moteur (il aurait fallu un panneau solaire )
A toi de voir

Connexion ou Créer un compte pour participer à la conversation.

Remise en route suzuki df140 22 Mai 2019 19:32 #646255

  • lexou
  • Portrait de lexou Auteur du sujet
  • Hors Ligne
  • Membre senior
  • Membre senior
  • Messages : 41
  • Remerciements reçus 3
une fois dans la calanque j'ai frigo et radio et la douchette et surtout au moment de partir le guindeau

c'est savoir comment faire le branchement entre elles coupleur ou autres pour que si besoin je puisse utiliser la batterie 1 pour demarrer a la place de la 2 et inversement

et voir pour la servitude si elle vient a manquer de jus

Connexion ou Créer un compte pour participer à la conversation.

Remise en route suzuki df140 22 Mai 2019 20:45 #646258

Le guindeau ...c’est jamais moteur coupe TOUJOURS moteur en marche ..donc c’est pas un soucis

Pour le reste dans la rubrique du forum RECHERCHE il doit y avoir ...au moins 20 pages sur le sujet
BRANCHEMENT

Tu dois avoir cela sur ton montage ....ou un système automatique ???!!!!


Bonne recherche et bonne lecture lol

Sans chercher beaucoup j’ai deja trouve 14 pages
Juste en cherchant

SCHEMA DE MONTAGE 2 BATTERIES

Si t’as batterie de servitude est vide ...soit panneau solaire soit faire tourner le moteur ...mais Jamais basculer sur batterie moteur

Il faudrait que tu en dises un peu plus sur ton montage actuel ....
Pièces jointes :

Connexion ou Créer un compte pour participer à la conversation.

Dernière édition: par f3d73.

Remise en route suzuki df140 22 Mai 2019 21:32 #646262

  • lexou
  • Portrait de lexou Auteur du sujet
  • Hors Ligne
  • Membre senior
  • Membre senior
  • Messages : 41
  • Remerciements reçus 3
Re

je recupere le bateau physiquement debut juin et il sera stocke à sec pour quelques mois

je vais bien decortiquer l'installation actuel j'aime savoir qui allume quoi quand ou comment

je veux repartir sur des cablages gaines propre chaque chose devra etre à sa place

2 batteries pour les moteurs 2 circuits 2 coupes batterie
1 batterie equipement + guindeau et voir comment la recharger

j'ai aussi uns partie en 220v et un gros boitier gris bleu je crois mais a verifier si regulateur ou transformateur 220/12v

Connexion ou Créer un compte pour participer à la conversation.

Remise en route suzuki df140 22 Mai 2019 23:50 #646267

Pourquoi 2 batteries pour les moteurs ??? c'est bien (mieux) mais ce n'est pas une obligation
Je suis sur 2x 225 cv (diesel) et je n'ai qu'une batterie moteur (ma voiture et la tienne aussi ) et pas de batterie pour le guindeau
Je démarre JAMAIS les 2 moteurs en meme temps (qui le fait ...personne ) d'abord on démarre le moteur 1 (une batterie suffit) et ensuite quand le moteur 1 tourne je démarre le 2
Pour le guideau je ne m'en sert jamais moteur éteint donc pourquoi une batterie pour le guideau ...c'est un truc plus tôt Francais la batterie pour le guindeau (il y a plein de grands constructeurs qui ne mettent pas de batteries pour le guideau)
Pour la recharge tu as un circuit 12 v sur le(s) moteurs et un circuit 220 v (le gros truc bleu) qui est un chargeur régulateur ..ton installation a l'air conforme aux standard ...evite de compliquer les choses ..les usines à gaz c'est pour le gaz pas pour l'électricité LOL

Connexion ou Créer un compte pour participer à la conversation.

Dernière édition: par f3d73.

Remise en route suzuki df140 23 Mai 2019 07:11 #646270

Bjr

J’ai aussi 2 batteries .... ce qui rajoute évidemment du poids ...!!
Je pense que la deuxième est la, par PEUR de manquer, + que pour le côté pratique....

Connexion ou Créer un compte pour participer à la conversation.

Remise en route suzuki df140 23 Mai 2019 09:33 #646273

Un 150 Yam 2T démarre sans problème et plusieurs fois d'affilée avec une vieille batterie 40Ah ... alors 2 batteries d'une centaine d'Ah...

Connexion ou Créer un compte pour participer à la conversation.

Remise en route suzuki df140 23 Mai 2019 12:30 #646274

Bonjour à tous....je lis avec intérêt ce post et vos commentaires.
...et je suis dubitatif.
J'ai toujours conseillé d'installer deux batteries si il y a deux moteurs HB. pour les IB, c'est différent car la sortie de l'alternateur peut être séparé de l'alimentation batterie.
Dans le cas de moteur HB comme il est question dans ce post. si vous ne mettez qu'une batterie alors vous allez coupler ( mettre en parallèle ) les câbles d'alimentation.....et inévitablement aussi les sorties des régulateurs des deux moteurs.
Et .....là vous risquez de gros emmerdements si les deux moteurs ne débitent pas exactement les mêmes tensions c'est à dire si il ne tournent pas aux mêmes régimes. Un régulateur accepte mal d'avoir sa sortie positionnée à un potentiel plus haut que l'entrée.

Après vous pouvez ...être joueurs :-)

Donc laisse tes 2 batteries.....ne le couple qu'en cas de nécessité absolue.
Si tu as besoin d'une troisième batterie de servitude......alors pense à la charger avec un répartiteur qui va isoler en privilégiant la charge des batteries moteur......Ou tu fais comme moi qui ait pourtant acheté tout le kit de charge ASR ....qui va rester dans un tiroir......la batterie de servitude n'est chargée qu'à quai avec le chargeur 220v
@+ Pia ( SUZUKI and YAMAHA Lover !!!!)
Les utilisateur(s) suivant ont remercié: lexou

Connexion ou Créer un compte pour participer à la conversation.

Remise en route suzuki df140 23 Mai 2019 14:10 #646276

Salut Marc,

C'est une remarque intéressante, et je pense que tu as peut-être raison !


Personnellement, j'ai monté pas mal de twin HB, et toujours amené les sorties des alternateurs sur la même batterie - sauf si le client en demandait 2.
Sans problème !

Le courant de sortie des alternateurs passe à travers des diodes, et mettre les cathodes des 3 redresseurs directement sur la batterie, ou les connecter aux cathodes des 3 cathodes venant de l'autre moteur ne devrait rien faire de mal puisqu'une cathode ne laisse passer le courant que dans un sens.
Le courant ne passera vers la batterie que lorsque la tension présente sur l'anode sera supérieure à celle de la batterie, pas plus. Si elle est plus basse, la cathode bloque.

Par contre, je trouve totalement inutile de mettre 2 batteries de la puissance max recommandée dans la notice, c'est du poids inutile, et plutôt qu'une 100Ah mieux vaut 2x50 si une seule 50 est capable de démarrer un moteur seul.
Les utilisateur(s) suivant ont remercié: lexou

Connexion ou Créer un compte pour participer à la conversation.

Remise en route suzuki df140 23 Mai 2019 15:40 #646277

  • lexou
  • Portrait de lexou Auteur du sujet
  • Hors Ligne
  • Membre senior
  • Membre senior
  • Messages : 41
  • Remerciements reçus 3
Merci à tous pour les reponses

j'ai aussi pense à ce probleme d'alternateur en double sur la meme batterie

non ce que j'envisagerai pour cette batterie de 92ah et 960a et qui surtout est neuve est de la placé en servitude ....(guindeau sondeur frigo radio eclairage au besoin douchette )
2 batteries de 75ah par moteur pour gagner de la place et du poids meme si c'est infime c'est toujours ca en moins

est il possible de cabler un regulateur ou autre qui me charge la servitude grace aux 2 moteurs ou 1 seul ?

grace aux 2 moteurs je me dis que ca demendera moins d'effort sur 2 alternateurs que sur un seul

Connexion ou Créer un compte pour participer à la conversation.

Remise en route suzuki df140 23 Mai 2019 16:00 #646278

.
@+ Pia ( SUZUKI and YAMAHA Lover !!!!)
Pièces jointes :

Connexion ou Créer un compte pour participer à la conversation.

Dernière édition: par pia66-13.

Remise en route suzuki df140 23 Mai 2019 16:05 #646279

  • lexou
  • Portrait de lexou Auteur du sujet
  • Hors Ligne
  • Membre senior
  • Membre senior
  • Messages : 41
  • Remerciements reçus 3
question Piaa avec ce montage je cable soit le moteur soit le 2 pour me charger la batterie de servitude mais pas possible de brancher 1 et 2 et chacun leurs tours ils chargeront la servitude ?

Connexion ou Créer un compte pour participer à la conversation.

Remise en route suzuki df140 23 Mai 2019 16:10 #646280

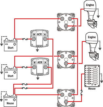
Oups désolé voilà le montage qu'il te faut....
erreur de sélection de fichier ......

et là tu auras un truc dans les règles de l'art


Budget entre deux et 300€ ......
@+ Pia ( SUZUKI and YAMAHA Lover !!!!)
Pièces jointes :
Les utilisateur(s) suivant ont remercié: f3d73

Connexion ou Créer un compte pour participer à la conversation.

Dernière édition: par pia66-13.
  • Page :
  • 1
  • 2
  • 3
Sauvegarder
Choix utilisateur pour les Cookies
Nous utilisons des cookies afin de vous proposer les meilleurs services possibles. Si vous déclinez l'utilisation de ces cookies, le site web pourrait ne pas fonctionner correctement.
Tout accepter
Tout décliner
En savoir plus
Général
Cookie nécessaires au fonctionnement du site
Identification
cookie d'identification
Accepter
Décliner