• Page :
  • 1

SUJET :

Embase-démont. tige inverseur-demande confirmation 29 Avr 2013 18:00 #523355

Bonjour,
besoin d'une confirmation svp:
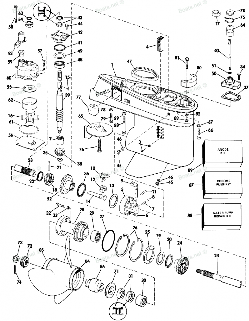
pour déposer l'embase d'un Johnson 50hp 1984 - modèle J50BELCRM - je dois désolidariser la tige de l'inverseur.
Pour cela, je dois bien la "dégoupiller" tout en haut, sous les carburareurs qu'il faut donc démonter pour cela, c'est bien ça?
Merci d'avance pour vos avis et surtout bonne navigation!
"Har navigering got" comme on dit par chez moi...
/Thomas
PJ: Plan éclaté de l'embase
- Viking.se
Pièces jointes :

Connexion ou Créer un compte pour participer à la conversation.

  • Page :
  • 1
Sauvegarder
Choix utilisateur pour les Cookies
Nous utilisons des cookies afin de vous proposer les meilleurs services possibles. Si vous déclinez l'utilisation de ces cookies, le site web pourrait ne pas fonctionner correctement.
Tout accepter
Tout décliner
En savoir plus
Général
Cookie nécessaires au fonctionnement du site
Identification
cookie d'identification
Accepter
Décliner