• Page :
  • 1
  • 2

SUJET :

moteur de trim 20 Avr 2014 22:47 #549094

je reprends après avoir mieux lu les messages précédents. il y a effectivement un contacteur qui donne la position du moteur et un autre qui limite la couse du trim. est-ce que vous voyez la photo que je vous ai envoyée, sinon, donnez moi une adresse mail à
jm

Connexion ou Créer un compte pour participer à la conversation.

moteur de trim 20 Avr 2014 22:50 #549095

est-ce que vous voyez la photo que je vous ai envoyée?
jm

Connexion ou Créer un compte pour participer à la conversation.

moteur de trim 21 Avr 2014 00:11 #549104

  • duncan
  • Portrait de duncan Auteur du sujet
  • Hors Ligne
  • Nouveau membre
  • Nouveau membre
  • Messages : 17
  • Remerciements reçus 0
je ne trouve pas ce contacteur sur le moteur.
c est un Johnson de 1997 90cv v4
desole jai pas la photo je vous donne une adresse mail.

Connexion ou Créer un compte pour participer à la conversation.

moteur de trim 21 Avr 2014 10:47 #549136

  • duncan
  • Portrait de duncan Auteur du sujet
  • Hors Ligne
  • Nouveau membre
  • Nouveau membre
  • Messages : 17
  • Remerciements reçus 0
merci pour la photo
j ai regarder sur le moteur je ne vois pas le contacteur
peut etre trop vieux le moteur.
c est pas trop évident il est en position relevé.

Connexion ou Créer un compte pour participer à la conversation.

moteur de trim 21 Avr 2014 11:34 #549140

regardez si vous voyez des fils dans ce secteur, il est possible que ce soit un détecteur de trim annulaire autour de l'axe de rotation.
jm

Connexion ou Créer un compte pour participer à la conversation.

moteur de trim 21 Avr 2014 11:49 #549143

  • duncan
  • Portrait de duncan Auteur du sujet
  • Hors Ligne
  • Nouveau membre
  • Nouveau membre
  • Messages : 17
  • Remerciements reçus 0
apparemment je vois pas de fils je vais essayer de démonter des carters autour de l arbre du moteur
qu est ce qu un détecteur annulaire
pas évident en position haute

Connexion ou Créer un compte pour participer à la conversation.

moteur de trim 21 Avr 2014 12:26 #549149

  • duncan
  • Portrait de duncan Auteur du sujet
  • Hors Ligne
  • Nouveau membre
  • Nouveau membre
  • Messages : 17
  • Remerciements reçus 0
je vous envoies des photos




Pièces jointes :

Connexion ou Créer un compte pour participer à la conversation.

moteur de trim 21 Avr 2014 17:28 #549181

  • bernie6259
  • Portrait de bernie6259
  • Visiteur
  • Visiteur
bon on ne voit rien ou presque sauf le capteur de Trim
Pièces jointes :

Connexion ou Créer un compte pour participer à la conversation.

moteur de trim 21 Avr 2014 17:42 #549182

  • bernie6259
  • Portrait de bernie6259
  • Visiteur
  • Visiteur
apres recherche sur le net ' sur le net on ne voit pas ce "detecteur annuaire" dans les eclatés pour ce moteur ( pour memoire idem a Evinrude et OMC)
Le systeme semble idem a un Yamaha
Pièces jointes :

Connexion ou Créer un compte pour participer à la conversation.

moteur de trim 21 Avr 2014 17:53 #549183

  • bernie6259
  • Portrait de bernie6259
  • Visiteur
  • Visiteur
pardon annulaire et regardes cette page ainsi que le site jamais on ne trouve ce contacteur

Ce message contient un fichier en pièce jointe.
Veuillez vous connecter ou vous enregistrer pour le consulter.

Connexion ou Créer un compte pour participer à la conversation.

moteur de trim 21 Avr 2014 20:42 #549203

  • duncan
  • Portrait de duncan Auteur du sujet
  • Hors Ligne
  • Nouveau membre
  • Nouveau membre
  • Messages : 17
  • Remerciements reçus 0
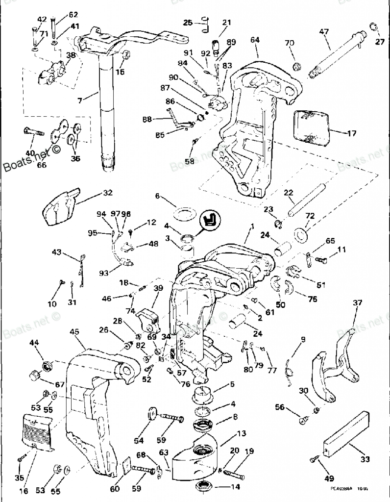
j ai trouve une vue éclatée d un moteur je pense que le contact serait le no 93
Pièces jointes :

Connexion ou Créer un compte pour participer à la conversation.

moteur de trim 21 Avr 2014 21:26 #549207

Oui, c'est exactement ça, maintenant, il reste à le localiser sur ton moteur mais de toute façon, il est près de l'axe horizontal de rotation du moteur
Jm
jm

Connexion ou Créer un compte pour participer à la conversation.

moteur de trim 22 Avr 2014 20:50 #549284

  • duncan
  • Portrait de duncan Auteur du sujet
  • Hors Ligne
  • Nouveau membre
  • Nouveau membre
  • Messages : 17
  • Remerciements reçus 0
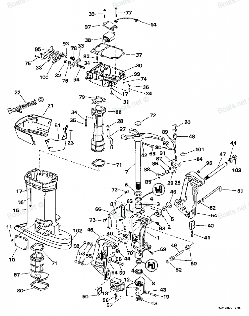
apres d autres recherches j ai trouvé le shema exact de mon moteur avec le meme no J90TSLEVA inscrit sur l arbre
par contre je ne vois pas le contacteur je joint le plan
Pièces jointes :

Connexion ou Créer un compte pour participer à la conversation.

moteur de trim 22 Avr 2014 23:16 #549296

Je ne vois rien non plus, désolé, il va falloir vous rapprocher d'un concessionnaire.
Jm
jm

Connexion ou Créer un compte pour participer à la conversation.

  • Page :
  • 1
  • 2
Sauvegarder
Choix utilisateur pour les Cookies
Nous utilisons des cookies afin de vous proposer les meilleurs services possibles. Si vous déclinez l'utilisation de ces cookies, le site web pourrait ne pas fonctionner correctement.
Tout accepter
Tout décliner
En savoir plus
Général
Cookie nécessaires au fonctionnement du site
Identification
cookie d'identification
Accepter
Décliner